Table of Contents
Tait Cross-Band Repeater Build
For an event, I (Tom M0LTE) needed to provide a cross-band FM repeater.
A cross-band repeater is a system which receives signal on one band and re-transmits it on one or more others. This is reversible, i.e. the signal can be received on either band and transmitted by the other radio.
This allows stations which are not line-of-sight with each other to be able to communicate directly.
In my case, I needed a system that would bridge between 2m and 70cm, which is probably the most common combination.
I do have a Wouxun KG-UV950PL, which can do this out of the box, but my gut feel is that is meant for occasional use, since the thermal management of that radio isn't great and cross-band repeat generally means you end up transmitting at a much higher duty cycle than if you were just using a radio as normal.
So I decided to re-purpose some of my commercial radios I have around for the various packet radio projects I do. I chose a Tait TM8100 as the 2m radio and a Tait TM8200 as the 70cm radio.
These radios are explicitly designed to support cross-band repeat, and there are supporting notes in the PDF entitled “MMA-00041-04 - TM8260 Installation and Programming Guide”, available online.
I didn't find a full write-up of how to do this, and the manual over-complicates it a bit and spreads the information around, so I thought I'd write it up.
Cable
The Tait manual references a particular off-the-shelf cable, which I don't have, but you can build one easily:
Using the rear D sub 15 pin connector:
| Pin, radio 1 | Pin, radio 2 | Role |
|---|---|---|
| 2 (busy) | 12 (ptt) | when radio 1 receives a signal, assert ptt on radio 2 |
| 7 (tx audio) | 13 (rx audio) | Send audio received by radio 2 to radio 1 for transmission |
| 12 (ptt) | 2 (busy) | when radio 2 receives a signal, assert ptt on radio 1 |
| 13 (rx audio) | 7 (tx audio) | Send audio received by radio 1 to radio 2 for transmission |
| 15 (gnd) | 15 (gnd) | Provide a return path for the signals above |
The D sub 15 pin connector is numbered like this, looking at the back of the radio (and therefore also looking at the solder side of a plug):
8 -------- 1 15 --- 9
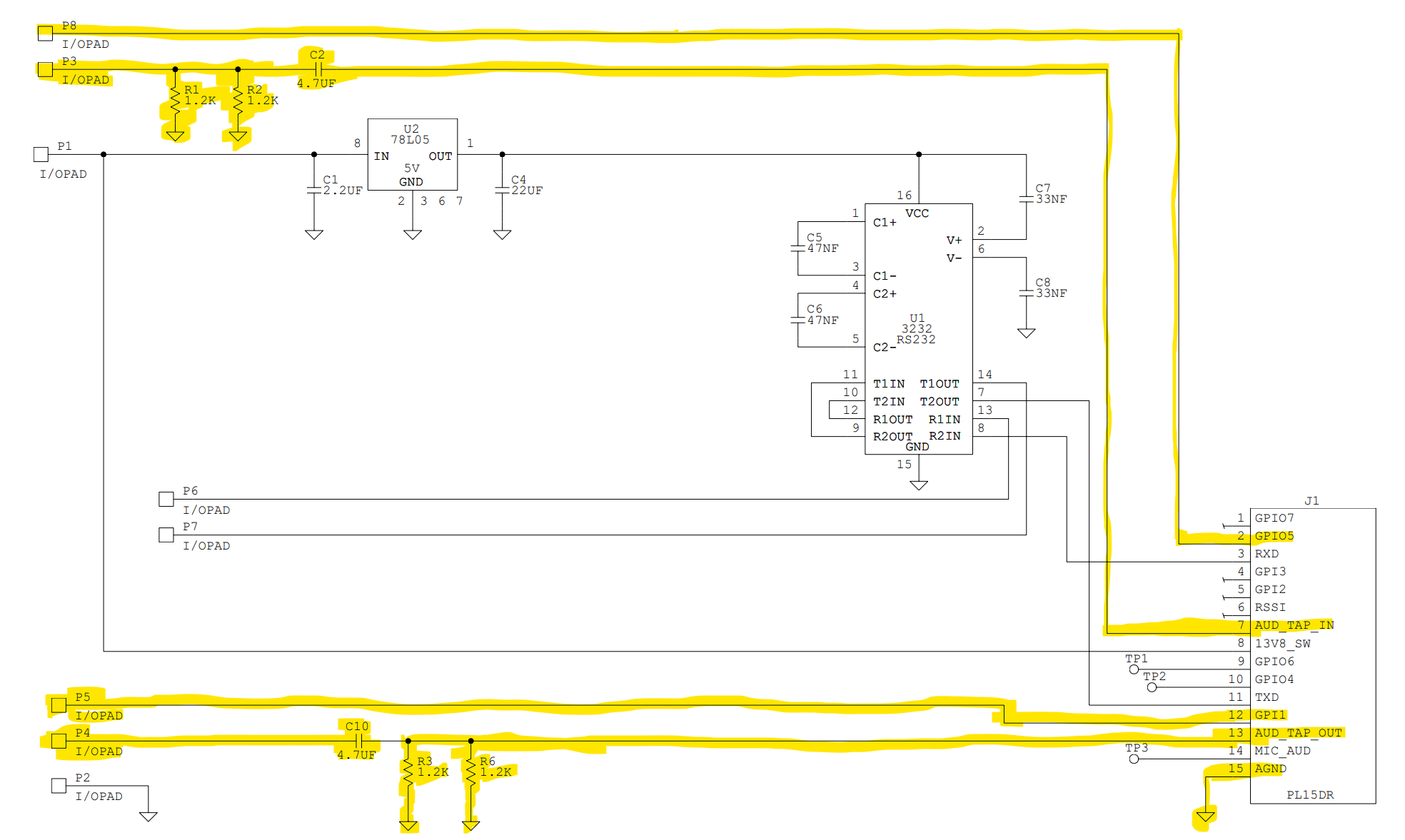
In the official cable there is a board. Most of it can be ignored, however both the audio lines are connected to ground via 600 ohms, and have 4.7uF inline. During the event I did not have this cable, and I found I was transmitting distored audio - I suspect omitting the resistors and maybe the DC blocking capacitors was responsible for this. So I recommend adding at least the resistors.
Board- important bits highlighted.
Settings
On both radios, you need to set the following configuration:
Programmable I/O form, Digital tab
| Pin | Direction | Label | Action | Active | Debounce | Function |
|---|---|---|---|---|---|---|
| AUX_GPI1 | Input | XBAND_TX | Crossband TX Input or EPTT1 | Low | 10 | PTT input |
| AUX_GPIO5 | Output | Busy | Busy Status (no CTCSS) or Signalling Audio Mute Status (CTCSS) | Low | None | Busy status output |
Programmable I/O form, Audio tab
| Pin | Tap in | Type | Unmute | Tap out | Type | Unmute | |
|---|---|---|---|---|---|---|---|
| Rx | None | A-Bypass In | On PTT | R7 | D-split | Busy Detect (no CTCSS) or Busy Detect + Subaud (CTCSS) | Define which stage of the radio to output received audio |
| EPTT1 | T5 | A-Bypass In | On PTT | None | C-Bypass Out | On PTT | Define which stage of the radio to inject audio when keyed up |
PTT form, External PTT 1 tab
| Field | Sub-field | Setting | Function |
|---|---|---|---|
| Advanced EPTT1 | PTT Transmission Type | Voice | Define that we are transmitting voice not data |
| Advanced EPTT1 | Audio Source | Audio Tap In | Define getting audio from the tap defined above |
CWID
The TM8100 supports CWID, that is transmitting a morse code callsign identifier regularly, the TM8200 does not.
You can set a high morse speed, e.g. 30 wpm, a callsign, and choose to transmit without CTCSS, meaning on a radio with receive CTCSS turned on, people don't get disturbed by the morse ID.
Time-out timer
It is recommended to set a reasonably short transmit time-out timer, to limit the damage if there is a radio in key-down somewhere.
Channels and CTCSS
Define channels as you normally would. On the channel form, you have the option to transmit with a CTCSS tone, and to receive only signals transmitted with a given CTCSS tone. This is highly useful to avoid accidental transmission of noise, so I highly recommend setting up a system like this to require CTCSS for access.
Remember to set your 2m radio channels to use narrow spacing (12.5kHz) and your UHF radio channels to use wide spacing (25kHz).
Timings and latency
There are a bunch of settings you can tweak to reduce the turnaround time, including:
- PTT debounce time (default 10ms)
- Lead-out delay
- others… need to look up
Antenna System
When you have two radios you need to provide either two antennas, one suitable antenna for each band, individually connected, or you can use a single dual band antenna to transmit and receive on simultaneously.
To do so, you need a device called a diplexer. (To confuse matters, Diamond, a common manufacturer of such devices, calls them duplexers.)
A suitable device for 2m and 70cm is the Diamond MX72. There are a few variants, each with different letter suffixes, these denote the connector types.
Safety
There is 60dB of isolation between the ports. Some simple maths reveals the strength of the transmitted signal on the receiving port, for example for 25W:
25W = 44dBm 44dBm (transmitted power level) - 60dB (isolation) = -16dBm -16dBm = 0.0000251189W = 0.0251189 mW
Pretty low for a transmitted signal, but pretty high at a receiver input.
The risks are:
- densensitisation (receiver is temporarily deafened by a nearby transmitter)
- damage (receiver is permanently damaged by much higher signal voltage than the circuitry can withstand)
The Tait TM8100 specification manual states “no degradation after 5 minutes exposure to on-channel signals at + 27 dBm (2.2 V)” - we are 43dBm clear of this so we are a very long way from damaging the receiver.
However -16dBm is a pretty strong signal (-93dBm is considered 5/9 at VHF and above, so this is “77dB over 5/9”) but the Tait filtering and receivers seem excellent and don't appear to be desensitised in practice.
EMF Calculations
Don't forget to do your EMF calcuations, these are not optional under the UK licence, even for temporary use. See:
- Information: https://rsgb.org/main/technical/emc/emf-exposure/
- Calculator: https://rsgb.org/emfcalculator
Physical layout
I recommend rigidly attaching the two radios to each other and to a baseboard - this can be cheaply achieved using “all round band” - the 12mm stuff has perfect hole spacing for the Tait side threads.

